Втулка зажимная BK 40 320 x 405
115 186 руб./шт
Уточните наличие и цену
Нашли дешевле?
Запрос цены
Наши менеджеры обязательно свяжутся с вами и уточнят условия заказа
Цена действительна при наличии товара на складе.
Минимальная сумма заказа - 1000 рублей.
Ответим на все интересующие вопросы и подберём оптимальный вариант info@euromehanika.ru
Описание
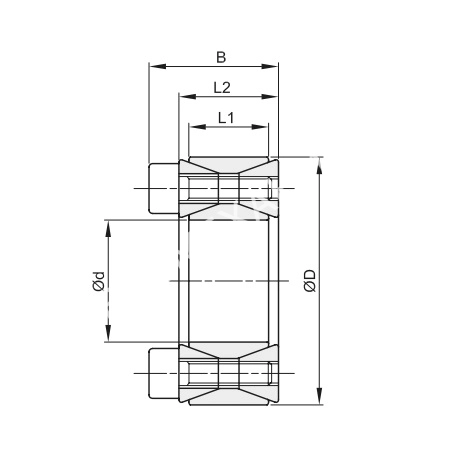
Зажимные втулки BK 40 не самоцентрирующиеся.Допуск посадки: вал h11, ступица H11
Контактные поверхности с шероховатостью: Rt Max 16 мкм
Характеристики
|
Тип
|
BK 40 |
|
Момент затяжки, Nm
|
580 |
|
Размер, d x D, мм
|
320 x 405 |
|
Длина втулки L1, мм
|
72 |
|
Длина втулки L2, мм
|
78 |
|
Крутящий момент, Nm
|
264108 |
|
Нагрузка, KN
|
1651 |
|
Давление на поверхность вала, N/мм2
|
211 |
|
Давление на поверхность ступицы, N/мм2
|
167 |
|
Количество болтов, шт
|
36 |
|
Тип болта, мм
|
M20x70 |
|
B, мм
|
98 |
|
Материал
|
Сталь C45 |
|
Производитель
|
BEA INGRANAGGI |
|
Вес, кг
|
30.00 |
Наличие
Новости
Все новости
6 апреля 2026
Нашли дешевле? Мы предложим максимально выгодную цену!
12 марта 2026
«Евромеханика» получила благодарственное письмо
6 марта 2026
Поздравляем с 8 Марта!





























