Подшипниковый узел SBPFL 207
Артикул:
SBPFL207
Подшипниковый узел SBPFL 207
Подробнее
Уточните наличие и цену
Нашли дешевле?
Запрос цены
Наши менеджеры обязательно свяжутся с вами и уточнят условия заказа
Цена действительна при наличии товара на складе.
Минимальная сумма заказа - 1000 рублей.
Ответим на все интересующие вопросы и подберём оптимальный вариант info@euromehanika.ru
Описание
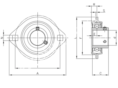
Подшипниковые узлы с самоустанавливающимся подшипником UC, со стопорным винтом, корпус типа FL из стали, на лапах.Характеристики
|
Тип подшипника
|
SBPFL |
|
Диаметр отверстия, d, мм
|
35 |
|
L, мм
|
94 |
|
F, мм
|
81 |
|
e, мм
|
8.5 |
|
R, мм
|
11 |
|
S, мм
|
2.6 |
|
I, мм
|
100 |
|
N, мм
|
11 |
|
Материал корпуса
|
Сталь |
|
A, мм
|
123 |
|
C, мм
|
32 |
|
Вес, кг
|
0.54 |
Наличие
Новости
Все новости
6 апреля 2026
Нашли дешевле? Мы предложим максимально выгодную цену!
12 марта 2026
«Евромеханика» получила благодарственное письмо
6 марта 2026
Поздравляем с 8 Марта!




























